É de conhecimento geral que a nova Sala Segura já está em operação, e a liberação do quinto andar para reformas representa um marco na história da DTI, como unidade, e de todo o TCE-PR.
Relembremos que a solução de Data Center proposta consiste em uma composição de instalações físicas de dois ambientes – Sala Segura e Disaster Recovery –, uma nova rede de altíssima performance em fibra óptica e equipamentos de última geração alocados nas novas instalações.
Este documento apresenta exclusivamente informações acerca da Fase 2 da solução, que corresponde à nova rede corporativa. A documentação a seguir foi elaborada conforme as fases avançaram, garantindo que o histórico descritivo seja fiel ao que foi efetivamente entregue.
Fase 2 – Nova Rede em Fibra Óptica –
Rede Metálica
A infraestrutura de cabeamento do Tribunal possui quase 15 anos e passou por diversas manutenções agregativas ao longo do tempo, o que a transformou substancialmente desde seu projeto inicial, em 2009. As reformas recentes alteraram ainda mais essa realidade.
- Atualmente, há cerca de 50 km de cabos metálicos passando pelos forros, atrás de paredes, calhas e sob os pisos do Tribunal.
A rede cabeada corporativa é composta por uma combinação de cabos: patch cables, fibras ópticas (utilizadas em ambiente de Data Center) e cabos padrão Cat. 6. Estes últimos, conhecidos como “cabos azuis”, conectam equipamentos como computadores, estações base de Wi-Fi e impressoras.
Devido à espessura dos cabos e ao espaço limitado nos forros, chegou-se a um ponto em que não era mais possível atender, dentro das conformidades, aos pedidos de novos pontos de rede gerenciados pela DTI.
O aumento do quadro de servidores e terceirizados, especialmente nos 1º e 3º andares do anexo, gerou uma demanda significativa por pontos de acesso à rede. Para atender a essa necessidade, a DTI precisou recorrer a soluções técnicas não ideais, sem controle sobre os pontos adicionados, que hoje somam aproximadamente 180 pontos.
A Escolha
Durante levantamentos iniciais foi considerada a a possibilidade de troca de tecnologia de cabeamento. As alternativas avaliadas para atualização da Rede Corporativa foram:
- Utilização exclusiva de rede Wi-Fi de última geração;
- Atualização dos switches de borda (equipamentos que concentram cabos de rede) nas salas técnicas dos andares;
- Adoção de uma nova tecnologia de cabeamento.
Após estudos, verificou-se que a tecnologia Wi-Fi 7 (802.11be), embora promissora, ainda carece de maturidade, redução de custos e variedade de equipamentos para atender plenamente às necessidades corporativas. Essa migração, entretanto, está no horizonte do setor de Infraestrutura e será abordada em 2025.
A nova tecnologia Wi-Fi será uma grande aliada à rede cabeada, oferecendo alta performance, velocidade e capacidade para suportar as demandas do TCE-PR.
Com a eliminação dessa alternativa no momento, a equipe concentrou-se na análise das opções de cabeamento:
- Cabo metálico – Troca apenas de equipamentos de borda (switches nos andares)
- Fibra Óptica – Novos equipamentos e passagem de novas Fibras
A falta de espaço físico para passagem de cabos metálicos e o custo contínuo com energia elétrica foram fatores determinantes para a escolha da fibra óptica.
No segundo semestre de 2023, foi realizado o processo licitatório, tendo como vencedora a empresa CRP / Quality Ware, que atualmente já concluiu cerca de 80% da implantação.
Abaixo, apresentamos um comparativo ilustrativo entre a tecnologia atual (à esquerda) e a tecnologia GPON (à direita), já presente no prédio-sede. Em seguida, destacamos os principais diferenciais da nova solução, que, além de mais performante, rápida e atualizável, proporcionará economia significativa: o investimento será amortizado em aproximadamente 8 anos e meio, apenas com a redução no consumo de energia elétrica (tanto da solução quanto da refrigeração necessária em redes metálicas).
Comparativo – meramente ilustrativo – da tecnologia atual à esquerda, com a GPON, à direita, presente no prédio Sede:

Opção pela GPON – Fibra Óptica
ENERGIA
A fibra óptica adotada pelo TCE-PR utiliza a tecnologia GPON (Gigabit-capable Passive Optical Network), semelhante à empregada por operadoras de banda larga. Em alguns casos, as operadoras entregam a fibra até o poste em frente às residências; em outros, até o modem dentro da casa do cliente.
A tecnologia é – como o nome já diz – totalmente passiva – não utiliza energia elétrica – e seu cabeamento é leve e mais fino, além de muito resistente a dobras e perfurações. A energia está presente no Datacenter – onde um equipamento chamado OLT (optical line terminal) emite o sinal de rede – e na ponta, próximo à mesa do usuário, há um equipamento chamado de ONU (optinal network unit), receptor do sinal.
- O tráfego entre pontos de rede é totalmente desenergizado.
- Economia de Energia para o TCE-PR.
Outro diferencial da arquitetura GPON é o conceito de splitting (do verbo inglês to split, que significa dividir). Essa abordagem revolucionou o projeto de redes, trazendo simplicidade e economia.
- Um equipamento chamado splitter (divisor), também passivo, permite que uma única fibra seja compartilhada entre vários pontos, sem perda de performance.
- Essa característica reduz drasticamente a quantidade de cabos necessária, mantendo alta capacidade de transmissão.
DURABILIDADE > 100 ANOS
A tecnologia GPON não possui um limite definido de vida útil. A fibra óptica, por ser oca, depende apenas da potência dos equipamentos localizados no Data Center (responsáveis por emitir os sinais) e dos dispositivos na ponta (que recebem e convertem os sinais de luz).
Atualmente, a solução GPON adotada pelo TCE-PR opera com 2,5 Gbps (gigabits por segundo). No entanto, o mercado já disponibiliza sua sucessora, a XGS-PON, capaz de atingir 10 Gbps, tecnologia que poderá ser incorporada futuramente, especialmente quando da implantação da nova rede Wi-Fi 7. Essa escalabilidade demonstra o potencial da tecnologia, que tem exemplos bem marcantes:
- NASA trabalha com enlaces de 400 Gbps;
- Pesquisas realizadas por universidades no Japão e na Austrália alcançaram velocidades impressionantes, chegando a centenas de terabits por segundo em transmissões intercontinentais.
SUSTENTABILIDADE
A tecnologia GPON é considerada uma solução ambientalmente sustentável. Seu processo de fabricação utiliza até 90% menos cobre e consome cerca de 60% menos energia em comparação ao cabeamento metálico tradicional.
Além disso, os principais fornecedores do mercado adotam práticas de economia circular:
- Realizam a retirada do cabeamento metálico antigo das instituições (no caso do TCE-PR, entre 30 e 50 km, totalizando aproximadamente 5 toneladas);
- Compram esse material, revertendo o valor em vouchers para futuras aquisições junto ao fabricante.
VOLUME E PESO
A espessura da fibra óptica é significativamente menor que a do cabo metálico. Aliada ao conceito de splitagem, essa característica reduz a ocupação nas eletrocalhas, desonerando as estruturas prediais. Esse fator é particularmente importante para o prédio anexo, que já passou por reforços estruturais (“amarração”) na década passada.
A imagem abaixo ilustra a diferença entre um cabo metálico (vermelho) e uma fibra óptica (azul) em uma eletrocalha:

A INFRAESTRUTURA
A tecnologia não é somente fascinante e sedutora como também é muito simples. Isso pode ser evidenciado na quantidade reduzida de cabos e equipamentos, somados ao seu baixo consumo de energia.
Dentro da realidade do TCE-PR o quadro abaixo traz resumo dos benefícios coma adoção da fibra óptica:
| Solução de Cabeamento | |
| GPON | |
| Infraestrutura de cabeamento para próximos 100 a 150 anos. | Aumento de estabilidade para todos os usuários |
| Fácil atualização de equipamentos para mais velocidade. | Tecnologia passiva – não consome energia! |
| Menos cabos na rede – redução de até 50 km, com cashback sustentabilidade | Redução de peso sobre as estruturas de até 5 T (cabos + salas técnicas) |
| Eliminação das Salas Técnicas nos andares | Atualização de equipamentos saltam de 5 para 15 anos. |
| Prazo de entrega de 120 dias | IMAGEM – Sustentabilidade + rede passiva Primeiro órgão Centro Cívico 100% Fibra |
| Investimento na troca por fibra óptica paga-se em 8,5 anos somente com redução de despesas de custeio | |
A Implantação da Nova Rede
A empresa vencedora para a implementação da nova rede, CRP / Quality Ware, é responsável pela execução do que foi estabelecido no Contrato nº 14/23.
Os trabalhos iniciaram-se com o planejamento do cronograma e a elaboração do Projeto Executivo, que passou por ajustes positivos sugeridos tanto pela equipe de Infraestrutura quanto pela contratada.
As obras começaram em novembro de 2023, logo após o feriado de Finados. Desde então, a equipe da DTI tem atuado em conjunto com a empresa e com os gestores das áreas, alinhando cronogramas para minimizar impactos na rotina de trabalho, já que a passagem da fibra óptica exige a desmontagem dos forros.
Entretanto, o paralelismo com outras reformas no Tribunal trouxe desafios, como a possibilidade de retrabalho na passagem das fibras e realocação de ativos devido a atividades externas ao contrato. Essas situações ocasionaram adiamentos na ativação da nova rede, inicialmente prevista para fevereiro de 2024, mas efetivamente concluída em maio de 2024, após rigorosos testes de homologação e funcionalidade.
A nova rede GPON foi projetada para operar com três serviços distintos, cada um com configuração própria de ativos, permitindo que sejam gerenciados e ampliados de forma independente, conforme as necessidades do Tribunal:
- Dados
- Wi-Fi Corporativo
- CFTV (Circuito Fechado de TV)
Embora o serviço de dados esteja estabilizado, o planejamento prevê eventual crescimento gradual. Já os serviços de Wi-Fi e CFTV foram dimensionados com capacidade excedente, garantindo espaço para expansão futura.
Como mencionado anteriormente, a nova rede Wi-Fi demandará aumento de velocidade. Na arquitetura GPON, esse upgrade ocorrerá apenas no serviço Wi-Fi, sem impactar os demais. Para isso, basta:
- Atualizar portas das OLTs nos Data Centers que atendem ao serviço Wi-Fi.
- Realizar mapeamento de necessidedes de AP, de acordo com a tecnologia escolhida
- Lançar novas fibras, se necessário
- Sbstituir as ONUs conectadas aos APs (Access Points)
Com essas alterações, o upgrade para XGS-PON estará concluído para o serviço de WiFi, permitindo que o serviço que atende os APs alcance 10 Gbps.
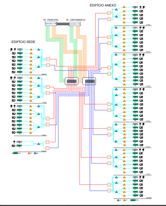
Abaixo o diagrama de nossa nova rede, conforme projeto executivo:


Como é possível constatar, a rede é totalmente redundante (linhas verdes e laranja que partem dos Data Centers).
Se por qualquer motivo a OLT de um Datacenter ficar inoperante, a outra OLT localizada no outro DC, gerenciará a rede sem perda alguma de performance.
MARCOS DE ENTREGAS
1 – Infraestrutura de Cabeamento
A pedido da DA, foram removidas as infras de cabeamento dos 4º e 5º andares para realização das reformas. Serão relançadas assim que possível (novembro a data informada pela DA). Os demais andares estão 100% atendidos.
2 – Infraestrutura de Datacenter (DC)
Ativos e operantes, já servindo o TCE-PR com a tecnologia de fibra óptica GPON.
3 – Equipamentos de Borda
Todas as ONUs previstas para instalação já estão em operação. Após as reformas da DA e a necessidade de retrabalho, cinco unidades apresentaram problemas de funcionamento devido ao manuseio. Esses equipamentos foram encaminhados ao setor de garantia da fabricante Furukawa, que realizou a substituição.
4 – Ativações de Serviços
A rede GPON foi ativada em maio/24 e funcionou em paralelo com a rede metálica até agosto/24, quando toda rede metálica antiga foi desligada. Hoje a rede GPON opera no TCE-PR com 80% de capacidade instalada, apenas aguardando a finalização das obras no prédio anexo.
5 – Descomissionamento
A remoção do cabeamento metálico antigo foi concluída na última semana de julho, totalizando aproximadamente 2 toneladas de cabos retirados. Esse material foi destinado ao fornecedor das fibras, que emitirá um certificado de participação no programa GREEN IT, voltado à reciclagem de materiais. Após o reaproveitamento do cobre presente nos cabos, o Tribunal receberá um crédito para aquisição de bens junto ao fornecedor, reforçando a política de sustentabilidade e economia circular.
6- Manutenção
A fase de manutenção do contrato 14/23 teve início em 01 de agosto.
7 – Benefícios GPON na Rotina
Já houve retorno positivo dos usuários que utilizam a tecnologia de fibra óptica. Um exemplo relevante vem do setor responsável pela segurança física do Tribunal, que realiza o monitoramento por CFTV. A equipe reportou que as atualizações das imagens ocorrem de forma muito mais rápida, com melhor qualidade e definição, evidenciando ganhos significativos de performance.
Da mesma forma, a entrada em operação de uma câmera acontece em menos de 30” ante aos quase 2’ que levava com cabeamento metálico.
A velocidade e qualidade de transmissão do auditório do Tribunal, no 6º andar do anexo comprovou o salto tecnológico da rede GPON. Transmissões em 4k foram realizadas com qualidade excelente e excedendo a necessidade de banda.
8 – Certificação Furukawa
Em 27 de setembro de 2024 a equipe de fiscalização recebeu o analista da Furukawa para obtenção de certificação da rede e da emissão de termo de garantia das fibras para 25 anos. A vistoria foi realizada pela manhã e percorreu ambos os prédios do Tribunal, datacenters e shafts onde conexões importantes estão presentes.
Ao fim do dia, a equipe recebeu a formalização da garantia:

9 – Green IT – Reciclagem de cabeamento antigo
Houve a retirada, por parte da contratada, de aproximadamente 2 toneladas de cabeamento metálico antigo, que foi devidamente ensacado e enviado à fabricante das fibras. Essa empresa promove um programa de reciclagem do cobre presente nos cabos metálicos e, após o processo de extração, realiza a venda do material, repassando o valor obtido ao Tribunal.
O montante recebido será utilizado pela equipe de fiscalização para a aquisição de materiais de reposição para a rede em fibra óptica, garantindo um pequeno estoque para eventuais substituições.
A formalização do volume reciclado foi recebida em 1º de outubro de 2024, por meio do certificado de participação no programa GREEN IT.

10 – Entrega Final da Solução
Em dezembro de 2024, as obras dos 4º e 5º andares foram finalizadas, e a Quality Ware procedeu com a instalação da rede GPON nesses pavimentos, configurando assim a entrega total da solução, que já operava com 80% de cobertura desde agosto do mesmo ano.
Com isso, a fase de manutenção contratual, prevista para cinco anos e que vinha sendo executada proporcionalmente à entrega (80%), passou a atender 100% do contrato.
Embora as obras de reforma nos 1º e 2º andares tenham sido iniciadas em dezembro e se estendam até meados de 2025, esses locais já haviam recebido a solução GPON anteriormente, garantindo a continuidade dos serviços.
TCE-PR, HABEMUS GPON!
Perguntas e Respostas:
O que será mudado na troca de rede?
Sai cabo metálico, entra fibra, com diminuição drástica de ativos em Datacenter e borda.
Qual será o ganho?
A performance da fibra é de no mínimo 3 vezes mais rápida.
Haverá considerável queda no consumo de energia elétrica.
Os prédios sede e anexo serão desonerados em peso entre equipamentos e cabos metálicos.
Como será conexão na minha mesa?
A fibra descerá do teto até a ONU. Dela são disponibilizadas 4 saídas que atenderão os equipamentos de rede – computadores, telefones de mesa, impressoras. Esta última conexão será em um cabo chamado patch cord, que tem conectores iguais aos atualmente utilizados (RJ 45).
Alterações de leiaute, como serão atendidos?
O atual contrato prevê alterações. Para isso bastará que seja apresentado o projeto aprovado para as devidas adequações. Devido a pequena quantidade de cabos passando pelo forro e da tecnologia ser facilmente adaptável, basta alocar a ONU no novo local a partir do forro por onde corre a infraestrutura horizontal e descer a fibra até o novo local.
Quanto tempo para finalizar os trabalhos?
- O prazo máximo para virada de chave para GPON está para segunda quinzena de maio de 2024.
- Serão posteriormente necessários outros 30 dias para retirada da atual infraestrutura de cabeamento metálico presente nos forros, shafts, calhas e dutos de ambos os prédios.
- Entrega de 100% da rede após finalização das reformas no prédio anexo.
O que será conectado na nova rede?
Todos os computadores, telefones, impressoras, catracas e equipamentos de plenário e do auditório (Serviço de Dados), câmeras de segurança (Serviço de CFTV), redes WIFI de Visitante, Funcionários e de Produção (Serviço de WIFI).
A Tecnologia permite, se o TCE-PR assim quiser, tornar os prédios Sede e Anexos totalmente automatizados e inteligentes, interligando o usuário às catracas da entrada, portas das unidades, equipamentos de uso comum e prestações de segurança.
Qual ganho de imagem com o salto tecnológico que está sendo dado?
O TCE-PR é o primeiro órgão do Centro Cívico totalmente atendido por fibra óptica.